Rozdział 1. Opis ogólny systemu

Spis treści

1.1. Połączenia zewnętrzne pojedynczego regulatora LB-762
1.2. Sondy pomiarowe
1.3. Urządzenia wykonawcze
1.4. Sieć transmisji danych
1.4.1. Sieć Ethernet
1.4.2. Sieć RS-485
1.5. Współpraca z regulatorami LB-760
1.6. Zbiorczy pomiar parametrów zewnętrznego powietrza
1.7. Zbiorczy pomiar stężęnia CO2

Regulator LB-762 służy do sterowania pojedynczą halą uprawy pieczarek. Zapewnia on wszystkie niezbędne pomiary oraz sterowanie odpowiednimi urządzeniami wykonawczymi w celu zapewnienia optymalnych warunków klimatycznych do uprawy grzybów.

Regulator LB-766 służy do sterowania pojedynczym magazynem produktów rolnych, np. ziemniaków. W kwestiach instalacyjnych jest on tożsamy z regulatorem LB-762 i wszystkie uwagi dotyczą obydwu regulatorów.

W przypadku większego obiektu, składającego się z większej ilości hal uprawowych, każda hala musi być wyposażona w osobny regulator. W takim przypadku możliwe jest połączenie wszystkich regulatorów we wspólny system pomiarowo-regulacyjny. W takim systemie każdy regulator działa autonomicznie, ale możliwe jest wspólne sterowanie wszystkimi regulatorami z jednego komputera typu PC i odpowiedniego oprogramowania. Dodatkowo możliwa jest realizacja pewnych funkcji wspólnych dla całego systemu, jak pomiar parametrów powietrza zewnętrznego czy też pomiar stężenia CO2.

Regulator LB-764 to model LB-762 o specjalnych modyfikacjach przygotowanych dla firmy ”Baltic Champignons”, instrukcja instalacji dotyczy również tego regulatora.

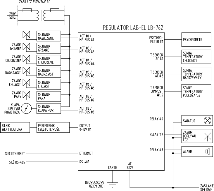
1.1. Połączenia zewnętrzne pojedynczego regulatora LB-762

Rysunek 1.1, „Schemat połączeń zewnętrznych regulatora LB-762” przedstawia typowe połączenia zewnętrzne pojedynczego regulatora LB-762. Do regulatora należy dołączyć zestaw odpowiednich sond pomiarowych i urządzeń wykonawczych, aby mógł on realizować swoje funkcje.

Schemat połączeń zewnętrznych regulatora LB-762

Rysunek 1.1. Schemat połączeń zewnętrznych regulatora LB-762


1.2. Sondy pomiarowe

  • Psychrometry - służą do pomiaru temperatury i wilgotności względnej powietrza. Regulator może współpracować z jednym lub dwoma psychrometrami (przynajmniej jeden jest wymagany do właściwej pracy regulatora). Dołączenie jednego psychrometru zapewnia jednopunktowy pomiar temperatury i wilgotności powietrza w hali uprawowej. Drugi psychrometr może być opcjonalnie użyty do pomiaru temperatury i wilgotności w innym miejscu hali uprawowej, dla lepszego uśrednienia warunków panujących w pomieszczeniu. Inną funkcją drugiego psychrometru może być pomiar parametrów powietrza w kanale nawiewowym, w celu regulacji wilgotności i temperatury powietrza wpadającego do hali.

  • Temperatura chłodnicy - pojedynczy termometr informujący regulator o pracy chłodnicy.

  • Temperatura nagrzewnicy - pojedynczy termometr informujący regulator o pracy nagrzewnicy.

  • Temperatura dopływu powietrza - opcjonalny pojedynczy termometr informujący regulator o temperaturze powietrza dopływającego do tunelu klimatyzacyjnego (przed chłodnicą). Zastosowanie tego termometru jest opcjonalne.

  • Temperatura podłoża - 6 termometrów służących do pomiaru temperatury podłoża w różnych miejscach hali. Nie jest wymagane dołączenie wszystkich 6 termometrów - regulator prawidłowo współpracuje z dowolną ilością dołączonych termometrów - od 1 do 6, zależnie od wymagań danej instalacji.

  • Stężenie CO2 - do pomiaru CO2 wymagane jest dołączenie osobnego dedykowanego miernika stężenia CO2. Możliwe jest dołączenie do każdego regulatora dedykowanego miernika CO2 (osobny miernik dla każdej hali), lub zastosowanie jednego miernika CO2 dla większej ilości hal (co pozwala na zmniejszenie kosztu instalacji). Szczegółówy opis w dalszej części instrukcji.

  • Zewnętrzny termohigrometr - w celu zapewnienia lepszego działania mechanizmów sterujących klimatem w hali uprawowej, regulator może korzystać z informacji o parametrach zewnętrznego powietrza trafiającego do tunelu klimatyzacyjnego. Pozwala to bezpośrednio wykorzystać właściwości tego powietrza (entalpia i masa wilgoci) do sterowania klimatem w hali, bez użycia urządzeń wykonawczych tunelu klimatyzacyjnego, co pozwala zmniejszyć zużycie energii. Możliwe jest dołączenie do każdego regulatora osobnego termohigrometru, lub zastosowanie jednego termohigrometru dla całego systemu (co pozwala na zmniejszenie kosztu instalacji, gdyż parametry zewnętrznego powietrza są z reguły wspólne dla wszystkich hal i indywidualny pomiar dla każdej hali nie jest uzasadniony). Zastosowanie tego miernika jest opcjonalne.

1.3. Urządzenia wykonawcze

Urządzenia wykonawcze

Rysunek 1.2. Urządzenia wykonawcze


  • Zawory grzania, chłodzenia, nawilżania, nagrzewnicy wstępnej, chłodnicy wstępnej, pary - sterowane są siłownikami (niektóre wyjścia są opcjonalne i w danej instalacji mogą nie występować).

  • Wentylacja - do zapewnienia obiegu powietrza służy wentylator, którego silnik sterowany jest odpowiednim przemiennikiem częstotliwości (falownikiem). Przemiennik częstotliwości jest urządzeniem zewnętrznym, którym regulator odpowiednio steruje.

  • Oświetlenie hali - regulator ma możliwość sterowania oświetleniem hali, co jest używane np. przy operacji gazowania.

  • Sygnalizator alarmowy - regulator ma możliwość sygnalizowania sytuacji alarmowych (np. niewłaściwe parametry klimatu w hali, różne awarie, itp). Do sygnalizacji alarmu każdy regulator ma odpowiednie wyjście przekaźnikowe, które może sterować np. sygnalizatorem akustycznym. Możliwe jest podłączenie sygnalizacji alarmowej do każdego regulatora osobno, lub wspólne połączenie wyjść alarmowych wszystkich regulatorów w danej instalacji i wspólne sterowanie jednym sygnalizatorem. Zastosowanie sygnalizatora alarmowego jest opcjonalne. Możliwa jest również sygnalizacja alarmowa za pośrednictwem oprogramowania kontrolnego na komputerze PC.

1.4. Sieć transmisji danych

W instalacji w której występuje większa ilość regulatorów, możliwe jest połączenie ich w sieć transmisji danych. Taka sieć zapewnia współpracę z komputerem PC i odpowiednim oprogramowaniem sterującym. Za pomocą sieci transmisji danych system może również realizować dodatkowe funkcje:

  • pomiar parametrów zewnętrznego powietrza (przy wykorzystaniu pojedynczego termohigrometru),

  • wspólny pomiar stężenia CO2 (gdy jeden miernik CO2 obsługuje większą liczbę hal uprawowych).

Regulator wyposażony jest w dwa interfejsy sieci transmisji danych: Ethernet i RS-485. Zastosowanie odpowiedniej sieci jest zależne od warunków i wymogów w danej instalacji:

  • Ethernet - sieć ta zapewnia bardzo dużą prędkość transmisji danych (10 lub 100 Mbit/s). Ze względu na bardzo dużą popularność tego typu sieci we wszelkich inncyh zastosowaniach, łatwa jest integracja z istniejącymi już innymi systemami teleinformatycznymi. Ograniczeniem sieci Ethernet jest odległość - jeden odcinek kabla (pomiędzy dwoma urządzeniami sieciowymi, np. pomiędzy regulatorem a switch'em) nie może być większa niż 100 metrów. Nie oznacza to że cała sieć nie może mieć większego zasięgu - przy zastosowaniu odpowiednich urządzeń sieciowych (switch'e, repeater'y czy nawet router'y) można sieć rozciągnąć na dowolny obszar. Ilość urządzeń w sieci Ethernet jest względnie nieograniczona - jedyne praktyczne limity wynikają z typu zastosowanych urządzeń sieciowych (switch'e) oraz przyjętego klasy adresowania sieci IP.

  • RS-485 - sieć ta zapewnia stosunkowo powolną transmisję danych w porównaniu do sieci Ethernet (19.2 kbit/s), jednak jej zaletą jest prostota okablowania i większy zasięg bez stosowania dodatkowych urządzeń sieciowych (do 1200 metrów). W efekcie okablowanie sieci jest prostsze i trochę tańsze. Pojedyncza sieć RS-485 ma limit ilości dołączonych urządzeń - od 1 do 32. Przedłużenie sieci na większą ilość urządzeń wymaga zastosowania odpowiednich urządzeń sieciowych (repeater'y).

Wybór typu sieci zależny jest od danej instalacji - jeżeli możliwe jest wykorzystanie sieci Ethernet, sugerowane jest wykorzystanie tego typu sieci. Zapewnia ona większy komfort użytkowania (większa prędkość transmisji danych oznacza mniejsze opóźnienia w reakcji systemu, szybszy odczyt danych z regulatorów, itp). Jeżeli jednak obiekt jest bardzo rozległy i zastosowanie sieci Ethernet wymagałoby użycia szeregu dodatkowych urządzeń sieciowych, zwiększając koszt ponad korzyści, można zastosować wtedy sieć RS-485.

W celu zapewnienia większej niezawodności możliwe jest również poprowadzenie obydwu rodzajów sieci. W takim wypadku system może wykorzystywać sieć Ethernet jako podstawową, zaś w przypadku awarii sieci (co jest bardziej prawdopodobne niż w sieci RS-485 ze względu na konieczność zastosowania dodatkowych urządzeń sieciowych) możliwe byłoby przełączenie na sieć RS-485.

1.4.1. Sieć Ethernet

Rysunek 1.3, „Schemat systemu z kilkoma regulatorami LB-762 i siecią Ethernet” przedstawia schemat instalacji w której N regulatorów typu LB-762 połączonych jest za pomocą sieci Ethernet. Ilość regulatorów możliwych do podłączenia w sieci Ethernet jest praktycznie nieograniczona. Długość pojedynczego odcinka kabla pomiędzy dwoma urządzeniami sieciowymi (w typowym przypadku pomiędzy regulatorem lub komputerem a switch'em sieciowym) nie może być większa niż 100 metrów, ale sieć może być przedłużana za pomocą odpowiednich urządzeń sieciowych, kaskadowo łączonych switch'y lub router'ów.

Uwagi odnośnie sposobu okablowania sieci Ethernet znajdują się w rozdziale Sekcja 3.10, „Sieć Ethernet”.

Schemat systemu z kilkoma regulatorami LB-762 i siecią Ethernet

Rysunek 1.3. Schemat systemu z kilkoma regulatorami LB-762 i siecią Ethernet


1.4.2. Sieć RS-485

Rysunek 1.4, „Schemat systemu z kilkoma regulatorami LB-762 i siecią RS-485” przedstawia schemat instalacji w której N regulatorów typu LB-762 połączonych jest za pomocą sieci RS-485. Ilość regulatorów możliwych do podłączenia w jednym segmencie sieci RS-485 wynosi od 1 do 32 (patrz opis połączeń sieci RS-485), maksymalna długość całkowita kabla wynosi 1200 metrów.

Sieć RS-485 wymaga zastosowania modułu LB-480, który działa jako konwerter interfejsów komunikacyjnych. Połączenie pomiędzy komputerem PC a modułem LB-480 realizowane jest za pomocą sieci Ethernet. Moduł LB-480 komunikuje się z regulatorami za pomocą sieci RS-485. Dodatkowo do modułu LB-480 dołączone mogą być wspólne urządzenia systemowe - jak zewnętrzny termohigrometr i miernik stężenia CO2.

Uwagi odnośnie sposobu okablowania sieci RS-485 znajdują się w rozdziale Sekcja 3.11, „Sieć RS-485”.

Schemat systemu z kilkoma regulatorami LB-762 i siecią RS-485

Rysunek 1.4. Schemat systemu z kilkoma regulatorami LB-762 i siecią RS-485


1.5. Współpraca z regulatorami LB-760

Regulatory LB-762 mogą być użyte w systemach, gdzie dotychczas używane były regulatory LB-760. Możliwe jest zbudowanie jednego wspólnego systemu, w którym działają obydwa typy regulatorów, pozwalając na realizację odpowiednich funkcji systemowych niezależnie od typu regulatora (jak wspólny pomiar parametrów powietrza zewnętrznego i zbiorczy system pomiaru stężenia CO2).

Niestety ze względu na niekompatybilność oprogramowania pomiędzy regulatorami i niezgodność protokołów komunikacyjnych niemożliwe jest wykorzystanie wspólnej sieci RS-485 dla obydwu typów regulatorów. Regulatory typu LB-760 muszą mieć swoją własną sieć RS-485, natomiast regulatory LB-762 muszą mieć swoją własną, osobną sieć. Jeżeli regulatory LB-762 będą korzystać z Ethernetu, to siłą rzeczy będzie to osobna sieć. Jeżeli regulatory LB-762 połączone będą za pomocą RS-485, należy poprowadzić osobny kabel sieciowy RS-485 dla regulatorów LB-762.

Rysunek 1.5, „Schemat systemu z regulatorami LB-762 i LB-760” przedstawia schemat przykładowej wspólnej instalacji z regulatorami typu LB-762 i LB-760, przy wykorzystaniu sieci RS-485 dla LB-762. Schemat z siecią Ethernet jest analogiczny - regulatory LB-760 pozostają połączone siecią RS-485, nastomiast dla LB-762 sieć RS-485 należy zastąpić siecią Ethernet.

Schemat systemu z regulatorami LB-762 i LB-760

Rysunek 1.5. Schemat systemu z regulatorami LB-762 i LB-760


1.6. Zbiorczy pomiar parametrów zewnętrznego powietrza

W systemie pomiarowym złożonym z większej ilości regulatorów (zarówno LB-762 jak i LB-760), możliwe jest wykorzystanie pojedynczego termohigrometru do pomiaru parametrów zewnętrznego powietrza. Możliwe jest też podłączenie indywidualnych termohigrometrów do poszczególnych regulatorów, ale ze względu na to że mierzą one zazwyczaj parametry tego samego powietrza, nie jest to uzasadnione. Wykorzystanie pojedynczego miernika pozwala na zmniejszenie kosztów instalacji.

Podłączenie zewnętrznego termohigrometru jest niezależnie od typu zastosowanej sieci transmisji danych (Ethernet/RS-485). Na rysunkach Rysunek 1.3, „Schemat systemu z kilkoma regulatorami LB-762 i siecią Ethernet” i Rysunek 1.4, „Schemat systemu z kilkoma regulatorami LB-762 i siecią RS-485” zewnętrzny termohigrometr opisany jest jako TERMOHIGROMETR LB-710.

Termohigrometr może być dołączony do dowolnego urządzenia w sieci, które dysponuje wejściem S300. Może to być moduł LB-480 (posiadający 8 wejść S300), jak również każdy z regulatorów LB-762, posiadających 2 wejścia S300 (pomimo podłączenia do indywidualnego regulatora, cały system może być skonfigurowany do użycia tego termohigrometru jako źródła danych dla wszystkich innych regulatorów). Jednak ze względu na niezawodność systemu, wskazane jest podłączenie termohigrometru do modułu LB-480 - ten moduł jest wspólny dla całego systemu i działa niezależnie od wszystkich regulatorów. W przypadku podłączenia termohigrometru do regulatora LB-762, gdy regulator zostanie z jakiegoś powodu wyłączony lub ulegnie awarii, cały system zbiorczego pomiaru parametrów zewnętrznego powietrza przestanie działać.

[WAŻNE] WAŻNE

Do działania zbiorczego pomiaru parametrów zewnętrznego powietrza niezbędne jest ciągłe działanie oprogramowania kontrolnego na komputerze PC.

1.7. Zbiorczy pomiar stężęnia CO2

W systemie pomiarowym złożonym z większej ilości regulatorów (zarówno LB-762 jak i LB-760), możliwe jest zapewnienie pomiaru stężęnia CO2 na dwa sposoby:

  • pomiar lokalny - każdy regulator dyspunuje indywidualny miernikiem CO2,

  • pomiar zbiorczy - jeden miernik CO2 obsługuje większą ilość hal uprawowych.

Podłączanie indywidualnych mierników CO2 jest stosunkowo kosztowne, zastosowanie zbiorczego pomiaru pozwala na zmniejszenie kosztów instalacji. Rysunek 1.6, „Schemat układu zbiorczego pomiaru stężenia CO2” przedstawia schemat typowej instalacji zbiorczego pomiaru CO2. System składa się z następujących elementów:

  • miernik CO2 - służący do pomiaru stężenia CO2 w powietrzu doprowadzanym z poszczególnych hal,

  • pompa - zapewnia zasysanie powietrza z poszczególnych hal,

  • zawory - zapewniają otwarcie dopływu powietrza z poszczególnych hal.

Schemat układu zbiorczego pomiaru stężenia CO2

Rysunek 1.6. Schemat układu zbiorczego pomiaru stężenia CO2


Całość działa w następujący sposób: system cyklicznie otwiera zawory dla poszczególnych hal, dopuszczając w danej chwili powietrze tylko z jednej hali. Pompa zasysa powietrze przez określony czas i dostarcza je do miernika stężenia CO2 (czas zasysania jest zależny od długości rur doprowadzających powietrze). Po minięciu określonego czasu można uznać że powietrze które dotarło do miernika odpowiada temu na hali i miernik CO2 dokonuje ostatecznego pomiaru, którego wynik jest wysyłany do regulatora sterującego odpowiednią halą. Następnie zawór dopływu powietrza dla danej hali jest zamykany, a otwarty zostaje zawór dla następnej hali. Całość powtarza się cyklicznie.

Dodatkowo możliwe jest włączenie do systemu pomiaru stężenia CO2 powietrza zewnętrznego. Ma to na celu dwie funkcje: okresowe ”przedmuchanie” miernika CO2 świeżym powietrzem z niskim stężeniem CO2 oraz sprawdzenie poprawności pomiaru za pomocą świeżego powietrza. Ze względu na to że stężenie CO2 w halach uprawowych jest z reguły dużo większe niż na świeżym powietrzu, miernik pracujący cały czas w warunkach wysokiego stężenia CO2 ma tendencję do zawyżania wyników, czemu zapobiega okresowe dostarczenie świeżego powietrza. Pozwala to również na sprawdzenie poprawności pomiaru - wartość stężenia CO2 w zewnętrznym powietrzu jest z reguły przewidywalną wartość rzędu kilkuset ppm. Radykalnie inny wynik oznacza błędne działanie miernika lub całego systemu zbiorczego pomiaru CO2.

Ograniczeniem ilości hal biorących udział w zbiorczym pomiarze CO2 jest czas trwania cyklu pomiarowego. Przykładowo: przy czasie zasysania powietrza z hali rzędu 5 minut i 5 halach uprawowych plus pomiar powietrza zewnętrznego, mamy czas cyklu = 5 minut * (5 + 1) = 30 minut. Oznacza to aktualizację wyniku CO2 w każdej hali co 30 minut. Zwiększanie ilości hal wydłuża ten czas dwojako: raz że każdą dodatkową halę trzeba uwzględnić w cyklu, dwa że zwiększa się długość rur doprowadzających powietrze do miernika i tym samym może być konieczne wydłużanie czasu pomiaru z jednej hali. Zbyt rzadkie aktualizowanie wyniku pomiaru stężenia CO2 nie pozwala regulatorowi LB-762 na skuteczne regulowanie dopływem świeżego powietrza do hali i tym samym nie pozwala na skuteczne regulowanie poziomu CO2.

W większym systemie, gdzie ilość hal i regulatorów spowodowałaby zbyt długi czas cyklu pomiaru CO2, możliwy jest podział systemu zbiorczego pomiaru CO2 na mniejsze części. W takim wypadku w systemie montowana jest większa ilość mierników CO2, z których każdy obsługuje jakąś wybraną grupę hal. Należy utworzyć kilka takich grup, stosownie do wielkości systemu. W takim wypadku każda grupa zbiorczego pomiaru CO2 działa samodzielnie i niezależnie od pozostałych. Dla każdej grupy wskazane jest dołączenie pomiaru stężenia CO2 w zewnętrzym powietrzu, z powodów omówionych wcześniej. Osobne grupy zbiorczego pomiaru CO2 działają niezależnie, ale w ramach jednej sieci transmisji danych - nie jest tutaj wymagane dzielenie całego systemu na osobne sieci transmisji danych, zgodnie z podziałem pomiaru CO2. Sieć transmisji danych jest wspólna, grupy pomiaru CO2 są od tego niezależne.

[WAŻNE] WAŻNE

Do działania zbiorczego pomiaru stężenia CO2 niezbędne jest ciągłe działanie oprogramowania kontrolnego na komputerze PC.